Product Summary
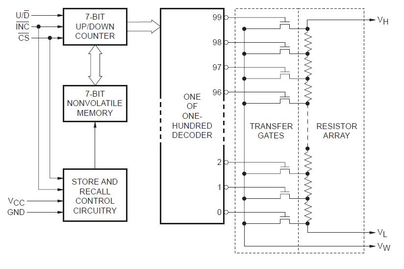
The X9C103S is a solid state nonvolatile potentiometer and is ideal for digitally controlled resistance trimming. The X9C103S is a resistor array composed of 99 resistive elements. Between each element and at either end are tap points accessible to the wiper element. The position of the wiper element is controlled by the CS, U/D, and INC inputs. The position of the wiper can be stored in nonvolatile memory and then be recalled upon a subsequent power-up operation.
Parametrics
X9C103S absolute maximum ratings: (1)Temperature under Bias: -65℃ to +135℃; (2)Storage Temperature: -65℃ to +150℃; (3)Voltage on CS, INC, U/D and VCC with Respect to VSS: -1V to +7V; (4)Voltage on VH and VL Referenced to VSS: -8V to +8V; (5)DV = |VH–VL|: 10V; (6)Lead Temperature (Soldering, 10 seconds): +300℃; (7)Wiper Current: ±1mA.
Features
X9C103S features: (1)Compatible with X9102/103/104/503; (2)Low Power CMOS, VCC = 5V; Active Current, 3mA Max; Standby Current, 500mA Max; (3)99 Resistive Elements, Temperature Compensated; ±20% End to End Resistance Range; (4)100 Wiper Tap Points, Wiper Positioned via Three-Wire Interface; Similar to TTL Up/Down Counter; Wiper Position Stored in Nonvolatile Memory and Recalled on Power-Up; (5)100 Year Wiper Position Data Retention; (6)X9C103 = 10KW.
Diagrams

| Image | Part No | Mfg | Description | ![]() |
Pricing (USD) |
Quantity | ||||||||||||
|---|---|---|---|---|---|---|---|---|---|---|---|---|---|---|---|---|---|---|
![]() |
![]() X9C103S |
![]() |
![]() IC DIGITAL POT 10K 100TP 8SOIC |
![]() Data Sheet |
![]() Negotiable |
|
||||||||||||
![]() |
![]() X9C103SI |
![]() |
![]() IC DIGITAL POT 10K 100TP 8SOIC |
![]() Data Sheet |
![]() Negotiable |
|
||||||||||||
![]() |
![]() X9C103SIZ |
![]() Intersil |
![]() Digital Potentiometer ICs 10K EEPOTTM POT CMOS 8LD IND |
![]() Data Sheet |
![]()
|
|
||||||||||||
![]() |
![]() X9C103SIZT1 |
![]() |
![]() IC POT DGTL CONTROL 10KOHM 8SOIC |
![]() Data Sheet |
![]()
|
|
||||||||||||
![]() |
![]() X9C103SIT1 |
![]() |
![]() IC XDCP 100-TAP 10K EE 8-SOIC |
![]() Data Sheet |
![]() Negotiable |
|
||||||||||||
![]() |
![]() X9C103SIT2 |
![]() |
![]() IC XDCP 100-TAP 10K EE 8-SOIC |
![]() Data Sheet |
![]() Negotiable |
|
||||||||||||
![]() |
![]() X9C103SZ |
![]() Intersil |
![]() Digital Potentiometer ICs 10K EEPOTTM POT CMOS 8LD COM |
![]() Data Sheet |
![]()
|
|
||||||||||||
![]() |
![]() X9C103SZT2 |
![]() |
![]() IC XDCP 100-TAP 10K EE 8-SOIC |
![]() Data Sheet |
![]()
|
|
||||||||||||
(China (Mainland))








