Product Summary
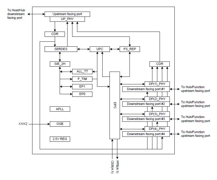
The UPD720114GA-YEU-A is a USB 2.0 hub device that complies with the Universal Serial Bus (USB) Specification Revision 2.0 and works up to 480 Mbps. USB 2.0 compliant transceiver is integrated for upstreamand all downstream ports. The UPD720114GA-YEU-A works backward compatible either when any one of the downstream ports isconnected to a USB 1.1 compliant device, or when the upstream port is connected to a USB 1.1 compliant host.
Parametrics
UPD720114GA-YEU-A absolute maximum ratings: (1)Power supply voltage, VDD33,VDD33REG: -0.5 to +4.6V; (2)Input/output voltage, 3.3 V input/output voltage, 3.0 V ≤ VDD33 ≤ 3.6 V, VI/VO: -0.5 to +4.6V; VI/VO < VDD33 +1.0 V, VI/VO: -0.5 to +4.6V; 5 V input/out voltage, VI/VO: -0.5 to +6.6V; 3.0 V ≤VDD33 ≤3.6 V, VI/VO: -0.5 to +6.6V; (3)Output current, IOL = 3 mA, IO: 10mA; IOL = 12 mA, IO: 40mA ; (4)Operating temperature, TA: 0 to +70℃ ; (5)Storage temperature, Tstg: -65 to +150℃.
Features
UPD720114GA-YEU-A features: (1)Compliant with Universal Serial Bus Specification Revision 2.0 (Data Rate 1.5/12/480 Mbps); (2)High-speed or full-speed packet protocol sequencer for Endpoint 0/1; (3)4 (Max.) downstream facing ports; (4)Low power consumption (10 μA when hub in idle status, 149 mA when all parts run in HS mode); (5)All downstream facing ports can handle high-speed (480 Mbps), full-speed (12 Mbps), and low-speed (1.5 Mbps) transaction; (6)Supports split transaction to handle full-speed and low-speed transaction on downstream facing ports when Hub controller is working in high-speed mode; (7)One Transaction Translator per Hub and supports four non-periodic buffers ; (8)Supports self-powered and bus-powered mode; (9)Supports individual or global over-currentdetection and individual or ganged power control; (10)Supports downstream port status with LED; (11)Supports non-removable devices by I/O pin configuration; (12)Support Energy Star for PC peripheral system; (13)On chip Rpu, Rpd resistors and regulator (for core logic); (14)Use 30 MHz crystal; (15)3.3 V power supply.
Diagrams

| Image | Part No | Mfg | Description | ![]() |
Pricing (USD) |
Quantity | ||||||||||||||||||||||
|---|---|---|---|---|---|---|---|---|---|---|---|---|---|---|---|---|---|---|---|---|---|---|---|---|---|---|---|---|
![]() |
![]() UPD720114GA-YEU-A |
![]() |
![]() HOST CTLR USB 2.0 48-TQFP |
![]() Data Sheet |
![]()
|
|
||||||||||||||||||||||
| Image | Part No | Mfg | Description | ![]() |
Pricing (USD) |
Quantity | ||||||||||||||||||||||
![]() |
![]() UPD70008AG-4 |
![]() Other |
![]() |
![]() Data Sheet |
![]() Negotiable |
|
||||||||||||||||||||||
![]() |
![]() UPD70236AGD-10-5BB |
![]() Other |
![]() |
![]() Data Sheet |
![]() Negotiable |
|
||||||||||||||||||||||
![]() |
![]() UPD7030025AGC-25 |
![]() Other |
![]() |
![]() Data Sheet |
![]() Negotiable |
|
||||||||||||||||||||||
![]() |
![]() UPD703014A |
![]() Other |
![]() |
![]() Data Sheet |
![]() Negotiable |
|
||||||||||||||||||||||
![]() |
![]() UPD703014AY |
![]() Other |
![]() |
![]() Data Sheet |
![]() Negotiable |
|
||||||||||||||||||||||
![]() |
![]() UPD703015A |
![]() Other |
![]() |
![]() Data Sheet |
![]() Negotiable |
|
||||||||||||||||||||||
(China (Mainland))










