Product Summary
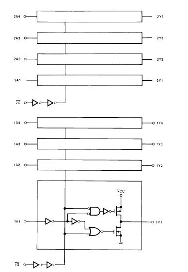
The MM74HC244WMX is a non-inverting buffer and has two active low enables (1G and 2G); each enable independently controls 4 buffers. This device does not have Schmitt trigger inputs. The 3-STATE buffer utilizes advanced silicon-gate CMOS technology and are general purpose high speed non-inverting buffers. The MM74HC244WMX possesses high drive current outputs which enable high speed operation even when driving large bus capacitances.
Parametrics
MM74HC244WMX absolute maximum ratings: (1)Supply Voltage (VCC): -0.5 to +7.0V; (2)DC Input Voltage (VIN): -1.5 to VCC +1.5V; (3)DC Output Voltage (VOUT): -0.5 to VCC +0.5V; (4)Clamp Diode Current (IIK, IOK): ±20 mA; (5)DC Output Current, per pin (IOUT): ±35 mA; (6)DC VCC or GND Current, per pin (ICC): ±70 mA; (7)Storage Temperature Range (TSTG): -65℃ to +150℃; (8)Power Dissipation (PD) (Note 3): 600 mW; S.O. Package only: 500 mW; (9)Lead Temperature (TL) (Soldering 10 seconds): 260℃.
Features
MM74HC244WMX features: (1)Typical propagation delay: 14 ns; (2)3-STATE outputs for connection to system buses; (3)Wide power supply range: 2–6V; (4)Low quiescent supply current: 80 μA; (5)Output current: 6 mA.
Diagrams

| Image | Part No | Mfg | Description | ![]() |
Pricing (USD) |
Quantity | ||||||||||||
|---|---|---|---|---|---|---|---|---|---|---|---|---|---|---|---|---|---|---|
![]() |
![]() MM74HC244WMX |
![]() Fairchild Semiconductor |
![]() Buffers & Line Drivers Octal 3-STATE Buffer |
![]() Data Sheet |
![]()
|
|
||||||||||||
| Image | Part No | Mfg | Description | ![]() |
Pricing (USD) |
Quantity | ||||||||||||
![]() |
![]() MM74C00 |
![]() Other |
![]() |
![]() Data Sheet |
![]() Negotiable |
|
||||||||||||
![]() |
![]() MM74C00M |
![]() |
![]() IC GATE NAND QUAD 2-INPUT 14SOIC |
![]() Data Sheet |
![]() Negotiable |
|
||||||||||||
![]() |
![]() MM74C00MX |
![]() |
![]() IC GATE NAND QUAD 2-INPUT 14SOIC |
![]() Data Sheet |
![]() Negotiable |
|
||||||||||||
![]() |
![]() MM74C00N |
![]() |
![]() IC GATE NAND QUAD 2 INPUT 14-DIP |
![]() Data Sheet |
![]() Negotiable |
|
||||||||||||
![]() |
![]() MM74C02 |
![]() Other |
![]() |
![]() Data Sheet |
![]() Negotiable |
|
||||||||||||
![]() |
![]() MM74C02N |
![]() |
![]() IC GATE NOR QUAD 2 INPUT 14-DIP |
![]() Data Sheet |
![]() Negotiable |
|
||||||||||||
(China (Mainland))












