Product Summary
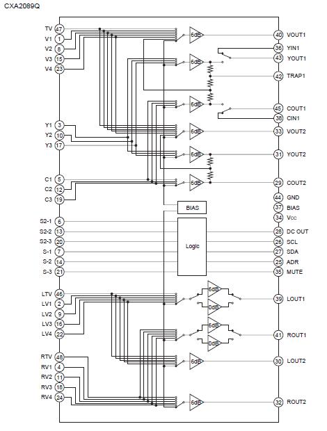
The CXA2089QX is a 5-input, 2-output audio/video switch featuring I2C bus compatibility for TVs. This IC has input pins that are compatible with S2 protocol. The applications of the CXA2089QX include Audio/video switch featuring I2C bus compatibility for TVs.
Parametrics
CXA2089QX absolute maximum ratings: (1)Supply voltage, VCC: 12 V; (2)Operating temperature, Topr: -20 to +75℃; (3)Storage temperature, Tstg: -65 to +150℃; (4)Allowable power dissipation, PD: 1500 mW.
Features
CXA2089QX features: (1)3 inputs that are compatible with S2 protocol; (2)Serial control with I2C bus; (3)5 inputs, 2 outputs; (4)The desired inputs can be selected independently for each of the 2 outputs; (5)Wide band video amplifier (20MHz, ?dB); (6)Y/C MIX circuit; (7)Slave address can be changed (90H/92H); (8)Audio muting from external pin; (9)High impedance maintained by I2C bus lines (SDA, SCL) even when power is OFF; (10)Wide audio dynamic range (3Vrms typ.).
Diagrams

![]() |
![]() CXA20 |
![]() Other |
![]() |
![]() Data Sheet |
![]() Negotiable |
|
||||||||||||
![]() |
![]() CXA2000Q |
![]() Other |
![]() |
![]() Data Sheet |
![]() Negotiable |
|
||||||||||||
![]() |
![]() CXA2002R |
![]() Other |
![]() |
![]() Data Sheet |
![]() Negotiable |
|
||||||||||||
![]() |
![]() CXA2006Q |
![]() Other |
![]() |
![]() Data Sheet |
![]() Negotiable |
|
||||||||||||
![]() |
![]() CXA2011-0000-000P00F00E8 |
![]() Cree, Inc. |
![]() High Power LEDs - White White 680lm XLamp CXA LED |
![]() Data Sheet |
![]()
|
|
||||||||||||
![]() |
![]() CXA2011-0000-000P00F027F |
![]() Cree, Inc. |
![]() High Power LEDs - White White 680lm XLamp CXA LED |
![]() Data Sheet |
![]()
|
|
||||||||||||
(China (Mainland))









