Product Summary
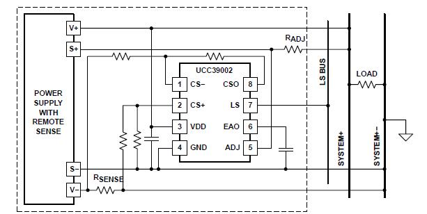
The UCC29002DR is an advanced, high performance and low cost loadshare controller that provides all necessary functions to parallel multiple independent power supplies or dc-to-dc modules. Targeted for high reliability applications in server, workstation, telecom and other distributed power systems, the UCC29002DR is suitable for N+1 redundant systems or high current applications where off-the-shelf power supplies need to be paralleled.
Parametrics
UCC29002DR absolute maximum ratings: (1)Supply voltage, current limited (VDD): 0.3 V to 15 V; (2)Supply voltage, voltage source (VDD): 0.3 V to 13.5 V; (3)Input voltage, current sense amplifier (VCS+, VCS-): -0.3 V to VDD + 0.3 V; (4)Current sense amplifier output voltage (VCSO): -0.3 V to VDD; (5)Load share bus voltage (VLS): -0.3 V to VDD; (6)Supply current (IDD + IZENER): 10 mA; (7)Adjust pin input voltage (VADJ): VEAO +1 V < VADJ ≤ VDD; (8)Adjust pin sink current (IADJ): 6 mA; (9)Operating junction temperature range, TJ: -55℃ to 150℃; (10)Storage temperature range, Tstg: -65℃ to 150℃; (11)Lead Temperature, Tsol (Soldering, 10 seconds): 300℃.
Features
UCC29002DR features: (1)High Accuracy, Better Than 1% CurrentShare Error at Full Load; (2)High-Side or Low-Side (GND Reference) Current-Sense Capability; (3)Ultra-Low Offset Current Sense Amplifier; (4)Single Wire Load Share Bus; (5)Full Scale Adjustability; (6)Intel SSI LoadShare Specification Compliant; (7)Disconnect from Load Share Bus at Stand-By; (8)Load Share Bus Protection Against Shorts to GND or to the Supply Rail; (9)8-Pin MSOP Package Minimizes Space; (10)Lead-Free Assembly.
Diagrams

| Image | Part No | Mfg | Description | ![]() |
Pricing (USD) |
Quantity | ||||||||||||
|---|---|---|---|---|---|---|---|---|---|---|---|---|---|---|---|---|---|---|
![]() |
![]() UCC29002DR |
![]() Texas Instruments |
![]() Other Power Management Adv 8-pin Loadshare Controller |
![]() Data Sheet |
![]()
|
|
||||||||||||
![]() |
![]() UCC29002DR/1 |
![]() Texas Instruments |
![]() Other Power Management Adv 8-pin Load Share Cntrlr |
![]() Data Sheet |
![]()
|
|
||||||||||||
![]() |
![]() UCC29002DR/1G4 |
![]() Texas Instruments |
![]() Other Power Management Adv 8-pin Load Share Cntrlr |
![]() Data Sheet |
![]()
|
|
||||||||||||
![]() |
![]() UCC29002DRG4 |
![]() Texas Instruments |
![]() Other Power Management Adv 8-pin Loadshare Controller |
![]() Data Sheet |
![]()
|
|
||||||||||||
(China (Mainland))








