Product Summary
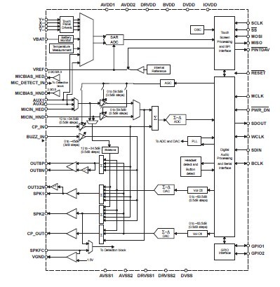
The TSC2101IRGZR is a low-power highly integrated high performance codec and touch screen controller, which supports stereo audio DAC, mono audio ADC and SAR ADC. It features a high-performance audio codec with 16, 20, 24, or 32-bit stereo playback, mono record functionality at up to 48 ksps. The applications of the TSC2101IRGZR include Personal Digital Assistants, Smart Cellular Phones, MP3 Players.
Parametrics
TSC2101IRGZR absolute maxing ratings: (1)AVDD1/2 to AVSS1/2: -0.3 V to 3.9 V; (2)DRVDD to DRVSS1/2: -0.3 V to 3.9 V; (3)BVDD to DRVSS1/2: -0.3 V to 4.5 V; (4)IOVDD to DVSS: -0.3 V to 3.9 V; (5)Digital input voltage to DVSS: -0.3 V to IOVDD + 0.3 V; (6)Analog input (except VBAT) voltage to AVSS1/2: -0.3 V to AVDD + 0.3 V; (7)VBAT input voltage to AVSS1/2: -0.3 V to 6 V; (8)AVSS1/2 to DRVSS1/2 to DVSS: -0.1 V to 0.1 V; (9)AVDD1/2 to DRVDD: -0.1 V to 0.1 V; (10)Operating temperature range: -40℃ to 85℃; (11)Storage temperature range: -65℃ to 105℃; (12)Junction temperature (TJ Max): 105℃.
Features
TSC2101IRGZR features: (1)Stereo Audio Playback Up to 48 ksps; (2)Mono Audio Record up to 48 ksps; (3)Integrated PLL for Audio Clock Generation; (4)Programmable Gain Amplifiers; (5)Hardware Automatic Gain Control; (6)Programmable Digital Audio Effects Processing; (7)Stereo Headset Interface; (8)Cellular Headset Interface; (9)8Ω Speaker Driver; (10)32Ω Receiver Driver.
Diagrams

| Image | Part No | Mfg | Description | ![]() |
Pricing (USD) |
Quantity | ||||||||
|---|---|---|---|---|---|---|---|---|---|---|---|---|---|---|
![]() |
![]() TSC2101IRGZR |
![]() Texas Instruments |
![]() Touch Screen Converters & Controllers Prog 4-Wire w/6 Audio Inputs |
![]() Data Sheet |
![]()
|
|
||||||||
![]() |
![]() TSC2101IRGZRG4 |
![]() Texas Instruments |
![]() Touch Screen Converters & Controllers Prog 4-Wire w/6 Audio Inputs |
![]() Data Sheet |
![]()
|
|
||||||||
(China (Mainland))








