Product Summary
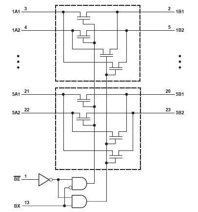
The SN74CBT3383DWR is a 10-bit FET bus-exchange switch. The SN74CBT3383DWR provides ten bits of high-speed TTL-compatible bus switching or exchanging. The low on-state resistance of the switch allows connections to be made with minimal propagation delay. The device operates as a 10-bit bus switch or a 5-bit bus exchanger, which provides swapping of the A and B pairs of signals. The bus-exchange function is selected when BX is high. The switch is connected when BE is low.
Parametrics
SN74CBT3383DWR absolute maximum ratings: (1)Supply voltage range, VCC: 0.5 V to 7 V; (2)Input voltage range, VI: 0.5 V to 7 V; (3)Continuous channel current: 128 mA; (4)Input clamp current, IIK (VI/O < 0): 50 mA; (5)Package thermal impedance, θJA (see Note 2): DB package: 63℃/W; DBQ package: 61℃/W; DGV package: 86℃/W; DW package: 46℃/W; PW package: 88°C/W; (6)Storage temperature range, Tstg: -65℃ to 150℃.
Features
SN74CBT3383DWR features: (1)5-Ω Switch Connection Between Two Ports; (2)TTL-Compatible Input Levels.
Diagrams

| Image | Part No | Mfg | Description | ![]() |
Pricing (USD) |
Quantity | ||||||||||||
|---|---|---|---|---|---|---|---|---|---|---|---|---|---|---|---|---|---|---|
![]() |
![]() SN74CBT3383DWR |
![]() Texas Instruments |
![]() Multiplexer Switch ICs 10-Bit FET Bus Exchange Switches |
![]() Data Sheet |
![]()
|
|
||||||||||||
![]() |
![]() SN74CBT3383DWRE4 |
![]() Texas Instruments |
![]() Multiplexer Switch ICs 10-Bit FET Bus Exchange Switches |
![]() Data Sheet |
![]()
|
|
||||||||||||
![]() |
![]() SN74CBT3383DWRG4 |
![]() Texas Instruments |
![]() Multiplexer Switch ICs 10B FETBus Exchange Switches |
![]() Data Sheet |
![]()
|
|
||||||||||||
(China (Mainland))









