Product Summary
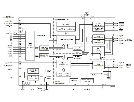
The ISP1161A1BDTM is a single-chip Universal Serial Bus (USB) Hos tController (HC) and Device Controller (DC) . The Host Controller portion of the SP1161A1BDTM complies with Universal Serial Bus Specification Rev.2.0, supporting data transfer at full-speed (12Mbit/s) and low-speed (1.5Mbit/s) . The Device Controller portion of theSP1161A1BDTM also complies withUniversal Serial Bus Specification Rev.2.0, supportingdatatransferatfull-speed(12Mbit/s) . Applications of the ISP1161A1BDTM include: Personal Digital Assistant (PDA) , Digital camera Third-generation (3-G) phone, Set-Top Box (STB) , Information Appliance, (IA) Photo printer, MP3 jukebox and Game console.
Parametrics
ISP1161A1BDTM absolute maximum ratings: (1) supply voltage on pin VCC: -0.5 to +6.0V; (2) supply voltage on pin Vreg(3.3) : -0.5 to +4.6V; (3) input voltage: -0.5 to +6.0V; (4) latch-up current VI <0 or VI >Vcc: 100mA; (5) electrostatic discharge voltage: -2000 to +2000V ( ILI<1μA) ; (6) storage temperature: -60 to +150°C.
Features
ISP1161A1BDTM features: (1) Complies withUniversal Serial Bus Specification Rev. 2.0; (2) The Host Controller portion of theI SP1161A1 supports data transfer at full-speed (12Mbit/s) and low-speed (1.5Mbit/s) ; (3) The Device Controller portion of the ISP1161A1 supports data transfer at full-speed (12Mbit/s) ; (4) Combines theHC and theDC in a single chip; (5) On-chipDC complies with most USB device class specifications; (6) High-speed parallel interface to most of the generic microprocessors and Reduced Instruction Set Computer (RISC) processors; (7) Operation from a 5V or a 3.3V power supply; (8) Available in two LQFP64 packages (SOT314-2 and SOT414-1) .
Diagrams

| Image | Part No | Mfg | Description | ![]() |
Pricing (USD) |
Quantity | ||||||
|---|---|---|---|---|---|---|---|---|---|---|---|---|
![]() |
![]() ISP1161A1BDTM |
![]() |
![]() IC USB HOST CONTROLLER 64LQFP |
![]() Data Sheet |
![]() Negotiable |
|
||||||
| Image | Part No | Mfg | Description | ![]() |
Pricing (USD) |
Quantity | ||||||
![]() |
![]() ISP10/D10 |
![]() Xeltek |
![]() Programmer Accessories ISP Header 01 |
![]() Data Sheet |
![]()
|
|
||||||
![]() |
![]() ISP1102 |
![]() Other |
![]() |
![]() Data Sheet |
![]() Negotiable |
|
||||||
![]() |
![]() ISP1102AW,115 |
![]() NXP Semiconductors |
![]() RF Transceiver USB FULL SPD TRNSCVR |
![]() Data Sheet |
![]() Negotiable |
|
||||||
![]() |
![]() ISP1102AW-T |
![]() NXP Semiconductors |
![]() RF Transceiver USB FULL SPD TRNSCVR |
![]() Data Sheet |
![]() Negotiable |
|
||||||
![]() |
![]() ISP1102BS,115 |
![]() NXP Semiconductors |
![]() RF Transceiver USB FULL SPD TRNSCVR |
![]() Data Sheet |
![]() Negotiable |
|
||||||
![]() |
![]() ISP1102BS,118 |
![]() NXP Semiconductors |
![]() RF Transceiver USB FULL SPD TRNSCVR |
![]() Data Sheet |
![]() Negotiable |
|
||||||
(China (Mainland))











