Product Summary
The DA221TL is a Silicon epitaxial planar Switching diode. The application of the DA221TL includes Ultra high speed switching.
Parametrics
DA221TL absolute maximum ratings: (1)Reverse voltage temperature, VRM: 20V; (2)Reverse voltage (DC), VR: 20V; (3)Forward current (Single), IFM: 200mA; (4)Average rectified forward current (Single), IO: 100mA; (5)Surge current, (t=1μs), Isurge: 300mA; (6)power dissipation, Pd: 150mW; (7)Junction temperature, TJ: 150℃; (8)Storage temperature, Tstg: -55 to +150℃; (9)Rated in slash put frequency, f: 100Mhz.
Features
DA221TL features: (1)Ultra small mold type. (EMD3); (2)High reliability.
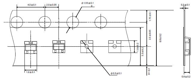
Diagrams

| Image | Part No | Mfg | Description | ![]() |
Pricing (USD) |
Quantity | ||||||||||||
|---|---|---|---|---|---|---|---|---|---|---|---|---|---|---|---|---|---|---|
![]() |
![]() DA221TL |
![]() ROHM Semiconductor |
![]() Diodes (General Purpose, Power, Switching) SWITCH 20V 100MA |
![]() Data Sheet |
![]()
|
|
||||||||||||
| Image | Part No | Mfg | Description | ![]() |
Pricing (USD) |
Quantity | ||||||||||||
![]() |
![]() DA22.1111.11 |
![]() Schurter |
![]() AC Power Entry Modules PCB 1A 125/250VAC |
![]() Data Sheet |
![]()
|
|
||||||||||||
![]() |
![]() DA22.1121.11 |
![]() Schurter |
![]() AC Power Entry Modules PCB 1A 125/250VAC |
![]() Data Sheet |
![]()
|
|
||||||||||||
![]() |
![]() DA22.1321.11 |
![]() Schurter |
![]() AC Power Entry Modules PCB 1A 125/250VAC |
![]() Data Sheet |
![]()
|
|
||||||||||||
![]() |
![]() DA22.2111.11 |
![]() Schurter |
![]() AC Power Entry Modules PCB 1A 125/250VAC |
![]() Data Sheet |
![]()
|
|
||||||||||||
![]() |
![]() DA22.2121.11 |
![]() Schurter |
![]() AC Power Entry Modules PCB 1A 125/250VAC |
![]() Data Sheet |
![]()
|
|
||||||||||||
![]() |
![]() DA22.2321.11 |
![]() Schurter |
![]() AC Power Entry Modules PCB 1A 125/250VAC |
![]() Data Sheet |
![]()
|
|
||||||||||||
(China (Mainland))









