Product Summary
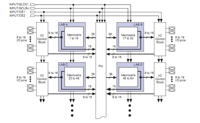
The EPM7064STI44-7 is a high-density, high-performance PLD. It is based on Altera’s second-generation MAX architecture. Fabricated with advanced CMOS technology, the EEPROM-based EPM7064STI44-7 provides 600 to 5,000 usable gates, ISP, pin-to-pin delays as fast as 5 ns, and counter speeds of up to 175.4 MHz.
Parametrics
EPM7064STI44-7 absolute maximum ratings: (1)Supply voltage: -2.0V to 7.0V; (2)DC input voltage: -2.0V to 7.0V; (3)DC output current, per pin: -25mA to 25mA; (4)Storage temperature: -65℃ to 150℃; (5)Ambient temperature: -65℃ to 135℃; (6)Junction temperature: Ceramic packages, under bias: 150℃; PQFP and RQFP packages, under bias: 135℃.
Features
EPM7064STI44-7 features: (1)Open-drain output option in MAX 7000S devices; (2)Programmable macrocell flipflops with individual clear, preset, clock, and clock enable controls; (3)Programmable power-saving mode for a reduction of over 50% in each macrocell; (4)Configurable expander product-term distribution, allowing up to 32 product terms per macrocell; (5)High-performance, EEPROM-based programmable logic devices(PLDs)based on second-generation MAX architecture; (6)5.0-V in-system programmability (ISP) through the built-in IEEE Std. 1149.1 Joint Test Action Group (JTAG) interface available in MAX 7000S devices:ISP circuitry compatible with IEEE Std.1532; (7)Includes 5.0-V MAX 7000 devices and 5.0-V ISP-based MAX 7000S devices; (8)Built-in JTAG boundary-scan test (BST) circuitry in MAX 7000S devices with 128 or more macrocells; (9)Complete EPLD family with logic densities ranging from 600 to 5,000 usable gates; (10)5-ns pin-to-pin logic delays with up to 175.4-MHz counter frequencies (including interconnect); (11)PCI-compliant devices available.
Diagrams

| Image | Part No | Mfg | Description | ![]() |
Pricing (USD) |
Quantity | ||||||
|---|---|---|---|---|---|---|---|---|---|---|---|---|
![]() |
![]() EPM7064STI44-7 |
![]() |
![]() IC MAX 7000 CPLD 64 44-TQFP |
![]() Data Sheet |
![]()
|
|
||||||
![]() |
![]() EPM7064STI44-7N |
![]() |
![]() IC MAX 7000 CPLD 64 44-TQFP |
![]() Data Sheet |
![]()
|
|
||||||
(China (Mainland))








