Product Summary
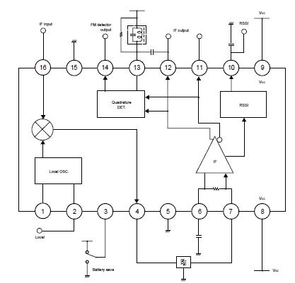
The BH4126FV-E2 is a Wide band IF detector for RF remote control unit equipped with internal mixer, IF amplifier, and FM detector circuits, developed for use with RF remote control units. The application of the BH4126FV-E2 includes Keyless entry.
Parametrics
BH4126FV-E2 absolute maximum ratings: (1)Power supply voltage, VCC: 7.0 V; (2)Power dissipation, PD: 350 mW; (3)Storage temperature, Tstg: -55 to +125℃.
Features
BH4126FV-E2 features: (1)Equipped with internal mixer, IF, RSSI, and FM detection circuits; (2)Can be operated at mixer input frequencies ranging from 20MHz to 300MHz; (3)Equipped with a battery power saving function; (4)Fast RSSI response; (5)High FM detection sensitivity. (21.2mV / kHz).
Diagrams

| Image | Part No | Mfg | Description | ![]() |
Pricing (USD) |
Quantity | ||||||
|---|---|---|---|---|---|---|---|---|---|---|---|---|
![]() |
![]() BH4126FV-E2 |
![]() |
![]() IC DETECT WIDEBAND IF SSOPB16 TR |
![]() Data Sheet |
![]()
|
|
||||||
| Image | Part No | Mfg | Description | ![]() |
Pricing (USD) |
Quantity | ||||||
![]() |
![]() BH4100FV |
![]() Other |
![]() |
![]() Data Sheet |
![]() Negotiable |
|
||||||
![]() |
![]() BH4126FV |
![]() Other |
![]() |
![]() Data Sheet |
![]() Negotiable |
|
||||||
![]() |
![]() BH4126FV-E2 |
![]() |
![]() IC DETECT WIDEBAND IF SSOPB16 TR |
![]() Data Sheet |
![]()
|
|
||||||
![]() |
![]() BH4127FV |
![]() Other |
![]() |
![]() Data Sheet |
![]() Negotiable |
|
||||||
![]() |
![]() BH4127FV-E2 |
![]() ROHM Semiconductor |
![]() RF Mixer IF MIXER 16PIN |
![]() Data Sheet |
![]()
|
|
||||||
![]() |
![]() BH4128FV |
![]() Other |
![]() |
![]() Data Sheet |
![]() Negotiable |
|
||||||
(China (Mainland))









