Product Summary
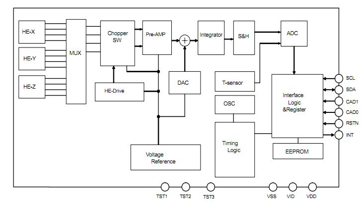
The AK8963 is a geomagnetism detection type electronic compass IC. The small package of the AK8963 integrates magnetic sensors for detecting geomagnetism in the X-axis, Y-axis, and Z-axis, and arithmetic circuit for processing the signal from each sensor. The AK8963 outputs four data in total as 8-bit digital values respectively: 3-axis magnetic sensor measured values and temperature sensor read value. By processing the magnetic sensor measured values with an external CPU, azimuth data can be obtained.
Parametrics
AK8963 absolute maximum ratings: (1)Power supply voltage (VDD, VID), V+: -0.3 to +6.5V; (2)Input voltage, VIN: -0.3 to (V+)+0.3V; (3)Input current, IIN: ±10mA; (4)Storage temperature, TST: -40 to +85℃.
Features
AK8963 features: (1)3-axis electronic compass IC; (2)Optimal built-in electronic compass for mobile phones and handy terminals; (3)High sensitivity Hall sensors are integrated; (4)Functions, Built-in 8-bit ADC; Built-in amplifier for sensor signal amplification; Built-in 8-bit DAC for sensor signal offset compensation; Built-in EEPROM for storing individual adjustment values; Built-in temperature sensor; 8-bit digital output; Serial interface: I2C bus interface (supporting the low-voltage specification); Automatic power-down function; Interrupt function for measurement data ready; Built-in master clock oscillator; (5)Operating temperatures: -30℃ to +85℃; (6)Operating supply voltage: +2.5V to +3.6V; (7)Low current consumption/measurement time: Power-down: 0.2μA typ.; (8)Magnetic sensor driving: 6.8mA/12.6ms; (9)Package: 16-pin QFN package: 4.0mm×4.0mm×0.7mm.
Diagrams

(China (Mainland))





