Product Summary
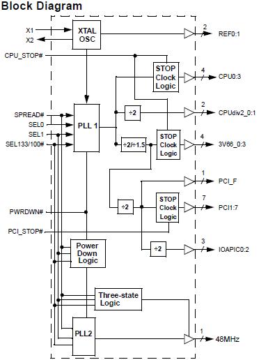
The W158H is a Spread Spectrum System Frequency Synthesizer designed to provide the essential frequency sources to work with advanced multiprocessing Intel architecture platforms. Split voltage supply signaling provides 2.5V and 3.3V clock frequencies operating up to 133 MHz. From a low-cost 14.31818-MHz reference crystal oscillator, the W158H generates 2.5V clock outputs to support CPUs, core logic chip set, and Direct RDRAM clock generators. It also provides skew-controlled PCI and IOAPIC clocks synchronous to CPU clock, 48-MHz Universal Serial Bus (USB) clock, and replicates the 14.31818-MHz reference clock.
Parametrics
W158H absolute maximum ratings: (1)VDD, VIN, Voltage on any pin with respect to GND: -0.5 to +7.0 V; (2)TSTG, Storage Temperature: -65 to +150℃; (3)TA, Operating Temperature: 0 to +70℃; (4)TB, Ambient Temperature under Bias: -55 to +125℃; (5)ESDPROT, Input ESD Protection: 2 (min.) kv.
Features
W158H features: (1)Maximized EMI suppression using Cypress’s spread spectrum technology; (2)Intel CK98 Specification compliant; (3)0.5% downspread outputs deliver up to 10 dB lower EMI; (4)Four skew-controlled copies of CPU output; (5)Eight copies of PCI output (synchronous w/CPU output); (6)Four copies of 66-MHz fixed frequency 3.3V clock; (7)Two copies of CPU/2 outputs for synchronous memory reference; (8)Three copies of 16.67-MHz IOAPIC clock, synchronous to CPU clock; (9)One copy of 48-MHz USB output; (10)Two copies of 14.31818-MHz reference clock; (11)Programmable to 133- or 100-MHz operation; (12)Power management control pins for clock stop and shut down; (13)Available in 56-pin SSOP.
Diagrams

| Image | Part No | Mfg | Description | ![]() |
Pricing (USD) |
Quantity | ||||||||||
|---|---|---|---|---|---|---|---|---|---|---|---|---|---|---|---|---|
![]() |
![]() W158H |
![]() Silicon Labs |
![]() Clock Synthesizer / Jitter Cleaner IntelR CK98 Sprd Spectrum Sys Clk Srv |
![]() Data Sheet |
![]()
|
|
||||||||||
![]() |
![]() W158HT |
![]() Silicon Labs |
![]() Clock Synthesizer / Jitter Cleaner IntelR CK98 Sprd Spectrum Sys Clk Srv |
![]() Data Sheet |
![]()
|
|
||||||||||
(China (Mainland))







