Product Summary
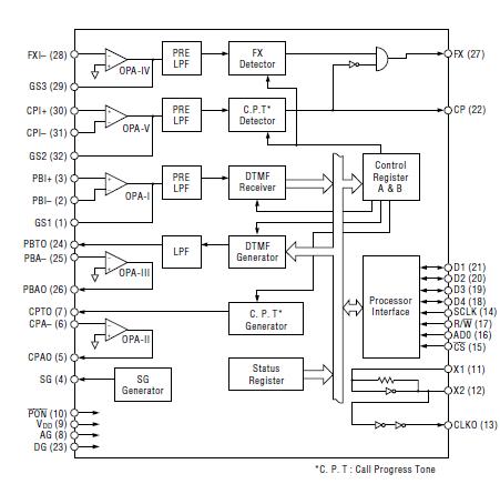
The MSM7524 is a single chip DTMF transceiver-generator/receiver with the call progress tone generator/detector and the special tone - 1300 Hz in the first version, possible to be modified - detector. Each function block can be controlled by an external MCU via 4-bit processor interface. The MSM7524 operates with +5 V single supply with low power consumption, and is suitable for the telephone terminal equipment.
Parametrics
MSM7524 absolute maximum ratings: (1)Power Supply Voltage VDD, Ta = 25℃ With respect to AG or DG: -0.3 to +7 V; (2)Input Voltage, VIN: 0.3 to VDD +0.3 V; (3)Storage Temperature, TSTG: -55 to +150℃.
Features
MSM7524 features: (1)Power supply voltage: +5 V ±10%; (2)Low power consumption, Operating mode: 8 mA Typ; Power down mode: 10 mA Typ.; (3)4-bit processor interface; (4)Dynamic range of DTMF receiver: 40 dB; (5)Low signal distortion output from DTMF generator; (6)Call progress tone detector: 330 to 640 Hz; (7)Call progress tone generator: 350/400/440/480 Hz; (8)Special tone detector: 1300 Hz ±20 Hz (for FAX); (9)3.58 MHz crystal oscillator circuit on chip; (10)Package: 32-pin plastic SSOP.
Diagrams

| Image | Part No | Mfg | Description | ![]() |
Pricing (USD) |
Quantity | ||||
|---|---|---|---|---|---|---|---|---|---|---|
![]() |
![]() MSM7524 |
![]() Elpac (ICCNexergy) |
![]() Linear and Switching Power Supplies 75W 24V 3.1A |
![]() Data Sheet |
![]() Negotiable |
|
||||
| Image | Part No | Mfg | Description | ![]() |
Pricing (USD) |
Quantity | ||||
![]() |
![]() MSM7502 |
![]() Other |
![]() |
![]() Data Sheet |
![]() Negotiable |
|
||||
![]() |
![]() MSM7503 |
![]() Other |
![]() |
![]() Data Sheet |
![]() Negotiable |
|
||||
![]() |
![]() MSM7507-01 |
![]() Other |
![]() |
![]() Data Sheet |
![]() Negotiable |
|
||||
![]() |
![]() MSM7507-03 |
![]() Other |
![]() |
![]() Data Sheet |
![]() Negotiable |
|
||||
![]() |
![]() MSM7510 |
![]() Other |
![]() |
![]() Data Sheet |
![]() Negotiable |
|
||||
![]() |
![]() MSM7512 |
![]() Elpac (ICCNexergy) |
![]() Linear and Switching Power Supplies 75W 12V 6.3A |
![]() Data Sheet |
![]() Negotiable |
|
||||
(China (Mainland))







