Product Summary
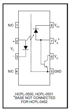
The HCPL-0501 is a high speed transistor optocoupler consists of an AlGaAs LED optically coupled to a high speed photodetector transistor housed in a compact 8-pin smalloutline package. A separate connection for the bias of the photodiode improves the speed by several orders of magnitude over conventional phototransistor optocouplers by reducing the base-collector capacitance of the input transistor. The applications of the HCPL-0501 include Line receivers, Pulse transformer replacement, Output interface to CMOS-LSTTL-TTL, Wide bandwidth analog coupling.
Parametrics
HCPL-0501 absolute maximum ratings: (1)Storage Temperature, TSTG: -55 to +125℃; (2)Operating Temperature, TOPR: -55 to +100℃; (3)DC/Average Forward Input Current, IF (avg): 25 mA; (4)Peak Forward Input Current (50% duty cycle, 1 ms P.W.), IF (pk): 50 mA; (5)Peak Transient Input Current - (≤1 μs P.W., 300 pps), IF(trans): 1.0 A; (6)Reverse Input Voltage, VR: 5 V; (7)Input Power Dissipation, PD: 45 mW; (8)Average Output Current (Pin 6), IO (avg): 8 mA; (9)Peak Output Current, IO (pk): 16 mA; (10)Emitter-Base Reverse Voltage (Except HCPL-0452), VEBR: 5 V; (11)Supply Voltage, VCC: -0.5 to 30 V; (12)Output Voltage, VO: -0.5 to 20 V; (13)Base Current (Except HCPL-0452), IB: 5 mA; (14)Output power dissipation, PD: 100 mW.
Features
HCPL-0501 features: (1)High speed-1 MBit/s; (2)Superior CMR-1 kV/μs; (3)CTR guaranteed 0-70℃; (4)U.L. recognized (File # E90700).
Diagrams

| Image | Part No | Mfg | Description | ![]() |
Pricing (USD) |
Quantity | ||||||||||||
|---|---|---|---|---|---|---|---|---|---|---|---|---|---|---|---|---|---|---|
![]() |
![]() HCPL-0501 |
![]() Avago Technologies |
![]() High Speed Optocouplers 1MBd 1Ch 16mA |
![]() Data Sheet |
![]()
|
|
||||||||||||
![]() |
![]() HCPL-0501#060 |
![]() Avago Technologies |
![]() High Speed Optocouplers 1MBd 1Ch 16mA |
![]() Data Sheet |
![]()
|
|
||||||||||||
![]() |
![]() HCPL-0501-000E |
![]() Avago Technologies |
![]() High Speed Optocouplers 1MBd 1Ch 16mA |
![]() Data Sheet |
![]()
|
|
||||||||||||
![]() |
![]() HCPL-0501-060E |
![]() Avago Technologies |
![]() High Speed Optocouplers 1MBd 1Ch 16mA |
![]() Data Sheet |
![]()
|
|
||||||||||||
![]() |
![]() HCPL-0501#560 |
![]() Avago Technologies |
![]() High Speed Optocouplers 1MBd 1Ch 16mA |
![]() Data Sheet |
![]()
|
|
||||||||||||
![]() |
![]() HCPL-0501#500 |
![]() Avago Technologies |
![]() High Speed Optocouplers 1MBd 1Ch 16mA |
![]() Data Sheet |
![]()
|
|
||||||||||||
![]() |
![]() HCPL-0501-500E |
![]() Avago Technologies |
![]() High Speed Optocouplers 1MBd 1Ch 16mA |
![]() Data Sheet |
![]()
|
|
||||||||||||
![]() |
![]() HCPL-0501-560E |
![]() Avago Technologies |
![]() High Speed Optocouplers 1MBd 1Ch 16mA |
![]() Data Sheet |
![]()
|
|
||||||||||||
(China (Mainland))







